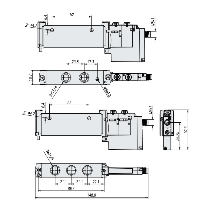
| 类型 | 管式阀 G1/4 | ||||||||||||
| 阀功能 | 两位五通阀,单电控,机械弹簧复位 | ||||||||||||
| 先导气源 | 外先导 | ||||||||||||
| 说明 | G1/4 螺纹 气源口/工作口/排气口 | ||||||||||||
| 主要技术参数 | |||||||||||||
| 阀功能 | 两位三通 | 两位五通 | 三位五通 | ||||||||||
| 常态位置 | C1) | U2) | H4) | C1) | U2) | H4) | - | - | - | C1) | U2) | E3) | |
| 气复位 | 是 | 否 | 是 | - | 否 | - | |||||||
| 弹簧复位 | 否 | 是 | 是 | - | 是 | 是 | |||||||
| 真空工作,气口 1 | 否 | 仅适用于外先导气源 | |||||||||||
| 规格 [mm] | 18 | ||||||||||||
| 结构特点 | 活塞式滑阀 | ||||||||||||
| 密封原理 | 软密封 | ||||||||||||
| 驱动方式 | 电驱动 | ||||||||||||
| 控制方式 | 先导控制 | ||||||||||||
| 先导气源 | 内或外先导 | ||||||||||||
| 排气功能 | 可被节流 | ||||||||||||
| 手控装置 | 按钮式/锁定式 | ||||||||||||
| 安装方式 | 可选通过通孔或气路板 | ||||||||||||
| 安装位置 | 任意 | ||||||||||||
| 公称通径 [mm] | 5.7 | 6.9 | 7.3 | 6.9 | 6.5 | 6.3 | |||||||
| 标准额定流量 [l/min] | 880 | 970 | 950 | 870 | 990 | 920 | 300 | 1380 | 1300 | 1200 | 1000 | 910 | |
| 气路板上的流量 [l/min] | 780 | 980 | 820 | 780 | 960 | 820 | 1300 | 1370 | 1300 | 1180 | 1220 | 1050 | |
| 开关时间 | |||||||||||||
FVG-...开/关 [ms] | 13/27 | 15/22 | 15/31 | - | 10/45 | 15/48 | |||||||
FVG-...转换 [ms] | - | - | - | 11 | - | 29 | |||||||
| 气接口 1, 2, 3, 4, 5 | G1/4 | ||||||||||||
| 气接口 12/14 | M5 | ||||||||||||
| 耐腐蚀等级 CRC | 2 | ||||||||||||
1) C=常闭/中封式 2) U=常开/中压式 3) E=中泄式 4) H=2x两位三通阀集成在一个壳体内,带1x 常闭和1x常开 | |||||||||||||
| 针脚分配 | |||||||||||||
| M8,4针 | |||||||||||||
| 1. DO (线圈12 +) | ||||||||||||
| 2. DO (线圈14+) | |||||||||||||
| 3. DO (线圈12 -) | |||||||||||||
| 4. DO (线圈14 -) | |||||||||||||
| 工作和环境条件 | |||||||||||||
| 阀功能 | 两位三通1) | 两位三通3) | 两位五通2) | 两位五通 | 两位五通3) | 三位五通 | |||||||
| 工作介质 | 压缩空气,符合 ISO 8573-1:2010 [7:4:4] | ||||||||||||
| 工作压力: 内先导 [MPa] | 0.15…0.8 | 0.25…0.8 | 0.25…0.8 | 0.15...0.8 | 0.3…0.8 | 0.3…0.8 | |||||||
| 工作压力: 内先导 [bar] | 1.5…8 | 2.5...8 | 2.5...8 | 1.5…8 | 3...8 | 3…8 | |||||||
| 工作压力: 外先导 [MPa] | 0.15…1 | –0.09…1 | –0.09…0.8 | –0.09…1 | |||||||||
| 工作压力: 外先导 [bar] | 1.5…10 | –0.9…10 | –0.9…8 | –0.9…10 | |||||||||
| 先导压力 [MPa] | 0.15…0.8 | 0.2…0.8 | 0.25...0.8 | 0.15…0.8 | 0.3…0.8 | 0.3...0.8 | |||||||
| 先导压力 [bar] | 1.5 … 8 | 2...8 | 2.5...8 | 1.5…8 | 3…8 | 3...8 | |||||||
| 环境温度 [°C] | –5 … +50, 带保持电流降;–5 … +60 | ||||||||||||
| 介质温度 [°C] | –5 … +50, 带保持电流降;–5 … +60 | ||||||||||||
| 1) 气复位 2) 混合,气复位/弹簧复位 3)弹簧复位 | |||||||||||||
| 电气参数 | |||||||||||||
| 电接口 | M8接口 | ||||||||||||
| 工作电压 [VDC] | 24 ±10% | ||||||||||||
| 功耗 [W] | 1/0.4 (25ms后) | ||||||||||||
| 占空比 [%] | 100 | ||||||||||||
| 防护等级,符合 EN60529 | IP65 | ||||||||||||
| 材料信息 | |||||||||||||
| 壳体 | 锻造铝合金 | ||||||||||||
| 密封件 | HNBR, NBR | ||||||||||||
| 材料注意事项 | RoHS合规 | ||||||||||||
| 油漆湿润缺陷物质标准 | VDMA24364-B1/B2-L | ||||||||||||