首页
产品系列
工业通信
IO-Link 主站
IO-Link 从站
IO-Link 集线器IP67 M08
。
IO-Link 集线器IP67 M12
。
IO-Link 集线器IP20
。
IO-Link 集线器IP40
。
IO-Link 模拟量集线器
。
IO-Link 模拟量适配器
。
IO-Link 阀岛适配器
。
IO-Link 接口转换器
。
IP67网络模块
多协议网络模块
这款多协议总线模块能够一个设备无缝兼容多种工业以太网协议,包括但不限于Profinet、Ethernet/IP、CC-Link IEF Basic和Modbus TCP等。这意味着,无论您的应用场景多么复杂,都可以轻松应对! 其次,为了确保产品在各种环境下都能稳定运行,我们特别设计了具有IP67防护等级的M8和M12接口,以及适合柜内安装的IP20防护等级。这样的设计,无疑大大提高了产品的可靠性和稳定性,让您使用更加安心!。
EtherCAT网络模块
EtherCAT总线模块。为了确保其卓越的性能表现,我们在设计之初就将产品的安全性与可靠性放在首位,更是采用了独特的防尘防水技术,赋予硬件设备具极强的抗干扰能力以及超高的安全防护级别 —— IP67防护等级的M8和M12接口,以及适用于柜内安装的IP20防护等级。。
PROFINET网络模块
Profinet总线模块。为了确保其卓越的性能表现,我们在设计之初就将产品的安全性与可靠性放在首位,更是采用了独特的防尘防水技术,赋予硬件设备具极强的抗干扰能力以及超高的安全防护级别 —— IP67防护等级的M8和M12接口,以及适用于柜内安装的IP20防护等级。。
PROFIBUS-DP网络模块
PROFIBUS-DP总线模块。为了确保其卓越的性能表现,我们在设计之初就将产品的安全性与可靠性放在首位,更是采用了独特的防尘防水技术,赋予硬件设备具极强的抗干扰能力以及超高的安全防护级别 —— IP67防护等级的M8和M12接口。。
IP20网络模块
多协议网络模块
。
EtherCAT网络模块
。
PROFINET网络模块
。
CC-Link网络模块
。
Modbus-RTU网络模块
。
刀片式扩展模块
总线耦合器
。
I/O模块
。
RFID
RFID读卡器
。
RFID标签
。
数智预警维保平台
交换机
IP20交换机
。
IP67交换机
。
气动控制
阀与阀组
阀组
。
FVG电磁阀
<P>电磁阀广泛应用于各种工业自动化系统和生活中,如气动装置中对气缸的控制、液压系统中对油流的调节、以及空调系统中对空气的温度控制等。它们可以实现快速响应、准确控制和稳定性高,并且易于实现自动化控制。<P>。
气路板
。
附件
。
FV标准阀岛
FV阀岛
。
FV阀岛通信模块
。
FV阀
。
FV阀岛附件
。
气/电快换
多气管对接盘
。
气/电快换模组
。
传感器
磁感应传感器
用于C型槽磁性传感器
。
用于T型槽磁性传感器
。
用于J型槽磁性传感器
。
连接技术
M8 接插件及线缆
自接线插头
。
法兰插座
。
三通连接器
。
单端预铸电缆
。
双端预铸电缆
。
M12 接插件及电缆
自接线插头
。
法兰插座
。
三通连接器
。
单端预铸电缆
。
双端预铸电缆
。
7/8”接插件及电缆
自接线插头
。
法兰插座
。
三通连接器
。
单端预铸电缆
。
双端预铸电缆
。
总线接插件及线缆
多协议
。
EtherCat协议
。
Profibus协议
。
Ethernet协议
。
AS-i协议
。
Modbus-RTU 485协议
。
CC-Link协议
。
阀插头预铸电缆
使用阀插头预铸电缆可以提升现场快速连接的效果。由于预铸电缆已经提前配置好与电磁阀匹配的插头,安装时只需简单插拔即可完成连接,省去了现场剥线、接线等繁琐步骤,大大节省了安装时间。此外,预铸电缆的密封性能较好,能有效防止杂质和湿气进入连接部分,提高了设备的稳定性和可靠性。
M8信号接线盒
一体式分线盒
M8分线盒可将各类设备的分散IO点整合至统一集成分线盒中,通过一根多芯线电缆进行控制系统的连接管理,便利管理及线路整理。为保证设备运行状态的明确展示,M8分线盒配备了LED显示屏,用户可直观快速地获取设备运行数据。我们深信,这款M8分配器将成为您设备操作及维护的首选。一体式分线盒则根据现场布线长度,可生产带线缆的分线盒,线缆有柔性与固定安装选择,长度亦可按需定制。。
分体式分线盒
M8分线盒能够集中各类设备的分散IO点,利用多芯线电缆进行控制系统的连接管理,便于管理和线路整理。为了清晰展示设备运行状态,M8分线盒配置了LED显示屏,用户能迅速获取设备运行数据。我们相信,这款M8分配器将成为您设备操作和维护的首选。分体式分线盒根据现场布线环境或部件快速更换等需求,可选择分线盒本体与集成多芯线电缆分离,通过对接锁紧实现信号连接。。
M12信号接线盒
一体式分线盒
M12分线盒可将各类设备的分散IO点整合至统一集成分线盒中,通过一根多芯线电缆进行控制系统的连接管理,便利管理及线路整理。为保证设备运行状态的明确展示,M12分线盒配备了LED显示屏,用户可直观快速地获取设备运行数据。我们深信,这款M12分配器将成为您设备操作及维护的首选。一体式分线盒则根据现场布线长度,可生产带线缆的分线盒,线缆有柔性与固定安装选择,长度亦可按需定制。。
分体式分线盒
M12分线盒能够集中各类设备的分散IO点,利用多芯线电缆进行控制系统的连接管理,便于管理和线路整理。为了清晰展示设备运行状态,M12分线盒配置了LED显示屏,用户能迅速获取设备运行数据。我们相信,这款M12分配器将成为您设备操作和维护的首选。分体式分线盒根据现场布线环境或部件快速更换等需求,可选择分线盒本体与集成多芯线电缆分离,通过对接锁紧实现信号连接。。
M23接口分线盒
M12分线盒能够集中各类设备的分散IO点,利用多芯线电缆进行控制系统的连接管理,便于管理和线路整理。为了清晰展示设备运行状态,M12分线盒配置了LED显示屏,用户能迅速获取设备运行数据。我们相信,这款M12分配器将成为您设备操作和维护的首选。分体式分线盒根据现场布线环境或部件快速更换等需求,可选择分线盒本体与集成多芯线电缆分离,通过对接锁紧实现信号连接。本产品则是分体接口选择了M23接口连接方式,相对与传统的分体结构,在连接稳定性、防护性方面更高。。
电源分线盒
7/8英寸接口电源分线盒,专为现场总线现场设计。该设备配备有常见的4针和5针接口,并可根据需要选择不同的端口数量,包括4端口及8端口两种型号供您选择;此款电源分线盒具有高效的电源分配功能,能够有效地将电源分配到各个设备上,确保整个系统的稳定运行。其独特的设计和高品质的材料保证了长期使用的可靠性和稳定性。
线缆
富延升电子可提供与我们的预制线缆同样高质量的多种散装线缆,这项服务使我们的客户可以在需要时购买所需的长度,线缆卷轴包装,最小米数100米。
附件
连接器及电缆固定支架、堵头和标识套管在电子设备的连接和维护过程中起到了重要的作用。合理选择和使用这些配件,有助于提高设备的稳定性和可靠性,同时也方便管理和维护人员进行工作。在未来的发展中,随着电子设备的不断更新和技术的进步,这些配件也将不断改进和创新,以满足日益复杂的设备连接需求。
布线管理
通讯面板接口
前置面板多接口
前置面板设计独特,集成了丰富多样的接口选项,旨在为您提供更大的便利!而这些接口包括但不限于电源接口、USB接口、RJ45网络接口以及D-sub接口。这意味着,无论是电源供应还是数据通信方面的需求,我们的产品都能满足!。
前置面板单接口
单USB和RJ45网络接口装置为您带来最佳的现场通讯快速连接解决方案。它方便实用,能满足各种需求。我们的设备经过精密设计,具有极强的稳定性和可靠性,能够在各种环境下稳定运行。。
D-Sub 连接器
随着科技发展与市场需求的变化,众多电子产品都采用了更为便捷且易于使用的D-Sub接口作为连接端口。本产品在确保性能卓越的同时,还具备极高的兼容性和可适应性。其广泛适用于各种系统与设备,为用户提供多样化的搭配选择,满足个性化需求。。
KBL 可开式穿线板
KBL 穿线板框架
KBL系列框架具有丰富的规格可供选择,无论您需要连接多少根电缆,能找到适合您的安装方案。此外,该系列框架还兼容多种密封模块(如KT密封模块、KTP密封模块、KTB密封模块以及DT密封模块),为您提供了更多的选择空间。为了方便您的使用,我们还推出了适用于KBL系列框架的快速安装底座。只需简单几步,即可轻松完成安装,大大节省了您的时间和精力。。
KT 密封模块(小)
。
KT 密封模块(大)
。
KTP 密封模块(小)
。
KTB 密封模块(大)
。
DT 密封模块(大)
。
ST 模块堵头
适配KT模块,当现场KT模块未进行线缆固定时,需要提升密封等级,可选择ST模块堵头进行密封。。
KBL 快速安装底座
KBL 快速安装底座可以配合KBL框架,在控制面板,机柜或机器安装时可以轻松卡入KBL框架。 非常适合需要大量维护的机箱或后续安装的机箱。。
KBL 刷式穿线板
这款防尘密封毛刷板可以根据实际需要进行灵活调整,极大地提高了安装和维护的便捷性,而且还具有极高的性价比。如果您正在寻找一款既实用又美观的电缆引入解决方案,那么这款防尘密封毛刷板绝对值得您信赖和拥有!
KBL-QVT穿线板
KDL 可开式穿线板
KDL 穿线板框架
KDL系列穿线板主要适用于线路数量较少的场合,且搭配KDT/Z密封件,适配预铸或已连接好接头的电缆现场使用。。
箱体安装部件
。
KDT/Z 密封件
。
KDP 直插式穿线板(方型)
KDP 直插式穿线板(圆型)
KPL 剥层式穿线板
KPL 剥层式系列组件
。
PM剥层模块
。
KML 剥层式穿线板
KML 剥层式系列组件
。
CM剥层模块
。
SF 高防护穿线板
重载连接器
常规套件
。
重载芯件
。
芯件导轨式安装
。
重载外壳
。
电缆旋紧件
。
重载工具
。
工业LED照明
24V DC系列 LED灯体
。
220V AC系列 LED灯体
。
LED灯具附件
。
电缆管理系统
彩锌线夹
。
电磁屏蔽夹
。
线缆整理板
。
导轨
。
案例中心
汽车行业解决方案
无论是汽车整车的四大核心制造工艺,或与汽车配套的各类关键零部件产品的生产加工设备,其中信号集成所需要的极高效、精度、标准,我们为之均有丰富的整线解决方案。
锂电池制造自动化解决方案
关于电池制造领域的技术支持,我司提供全面且高效的自动化解决方案。致力于通过对电池设备进行智能化连接,从而有效降低人力资源成本,提升整体生产效率,确保我们每一条生产线都能达成严格的品质管控标准。
面向3C行业的解决方案
富延升的产品和服务在移动电话、平板电脑以及各类个人电脑等电子通讯设备上得到了广泛而深入的应用。其巧妙地运用气动控制技术与高效的以太网技术相结合,向全球客户提供了针对3C设备(计算机、通信和消费类电子)门类齐全且具有完整性的紧凑型阀门岛控制系统及集成IO-Link技术解决方案。
助力食品生产工艺的提升
在食品行业的生产实践中,无论涉及的是饮料制造抑或是肉类、乳品加工,安全、可靠且稳健的生产流程始终是我们共同追求的核心目标。为防止生产过程中出现环境污染和生产稳定性的潜在风险,我们需要尽可能实现可持续性的生产方式。同时,随着市场对灵活性与模块化特性需求的日益增长,把握前沿科技对于我们来说更为关键。在此背景下,引入富有想象力的IO-Link技术将显著助推我们以最有效的方式向未来迈进。
物流行业解决方案
富延升数字化和IIOT解决方案致力于提升整个物流系统的运作效率及处理速度。在人工、物料传输、存储与监测、分拣、分级等操作步骤中的自动化升级,有助于降低成本并降低错误发生的概率。这将为您提供更大的灵活性以及市场竞争优势。
推动机床制造业智能化
推动机床制造业向更加智能化、数字化的方向发展,同时也积极履行企业社会责任,追求可持续发展之路。我司所供应的商品应用范围包括但不限于液压装置、精确而高效的控制柜以及精密的传送系统。
太阳能光伏解决方案
针对当前光伏市场的巨大需求,我们非常荣幸能够为您奉上气电一体化全套连接解决方案,从而助力光伏产业实现更高效率和更优良品质的生产运营。
移动作业设备行业解决方案
对于移动式作业设备中的信号连结以及布线路径密封方面,这无疑是许多生产与使用者所面临的困惑,为了解决这个问题,富延升公司以其高效能的快速连接器及完善的电缆引入系统为客户带来全方位的布线路径连结解决方案。
海事船舶行业解决方案
对于船舶及上海钻井平台而言,其对线缆布线的密封性有着极高的标准和要求。为了满足这些严苛的需求,富延升公司特别研发并推出了一款适用于此场景的电缆引入系统产品,从而使密封布线的质量和性能都得到了显著提高。
服务支持
合作伙伴
成为x+合作伙伴
合作伙伴资质查询
下载支持
产品目录
呈现备受好评的各个系列产品选型指南,为您提供更优质的产品解决方案做参考,让您可以在繁多的商品中选择到最适合自己的那一款产品。
设置软件
卓越的设置软件,您只需轻松点击几下,就能快速调节到最佳状态。探索未知,享受高效,带您开启全新的工作或生活方式,尽在这款流畅度极高、简约精致的软件之中。
相关证书
CE证书
。
UL证书
。
测试报告
。
ROHS证书
。
3C防爆证书
。
其它证书
。
产品服务
技术支持
本公司致力于为您提供全方位且高度专业化的技术支持服务。在使用我们的产品过程中,无论遇到何种问题或困惑,我们都将尽全力协助您解决,以确保您能够获得无与伦比的使用体验和满足感。
选型软件
专业级选型工具旨在提高您在设计领域的需求实现能力,可以轻松地找到最适合您设计要求的产品、产品订货号。我们的智能算法会根据您的具体参数给您提供相应的推荐结果。
在线视频
产品视频
IO-Link
。
网络模块
。
阀岛
。
电磁阀
。
传感器
。
电缆穿线板
。
分线盒
。
圆形连接器
。
气电快换
。
通信面板接口
。
工业LED照明
。
重载连接器
。
电缆管理系统
。
使用讲解
锂电装备
。
汽车工业
。
食品饮料
。
生命科学
。
3C行业
。
半导体
。
金属加工
。
流体技术
。
智能农业
。
其他
。
问答解答
IO-Link知识
IO-Link主站
IO-Link从站
IO-Link模拟量
IO-Link阀岛适配器
FIS M系列:RFID系统
多协议网络模块
EtherCAT网络模块
PROFINET网络模块
PROFIBUS-DP网络模块
Modbus-RTU网络模块
CC-Link网络模块
FCC系列:刀片式模块
FAS-MS系列:非网管交换机
FV系列:阀岛
新闻中心
企业新闻
为了能更好地满足和超越您的期望,我们始终坚守在信息更新这一领域,力求以最大诚意,全方面地为您展示出我们公司最为完整详尽的运营状况,希望以此给予您以及其他合作伙伴、投资者最准确无误的资讯。
产品资讯
为了保证您能及时掌握我们产品的最新动态,我们将优先采用公司媒体平台及展览会两种方式进行发布。此举旨在向尊贵的用户奉上更为全面且具有参考价值的产品资讯以及实时动态。
关于我们
关于FAS
人才招聘
社会招聘
校园招聘
联系方式
语言切换
产品系列
工业通信
IO-Link 主站
IO-Link 从站
IP67网络模块
IP20网络模块
刀片式扩展模块
RFID
数智预警维保平台
交换机
气动控制
阀与阀组
FV标准阀岛
气/电快换
传感器
磁感应传感器
连接技术
M8 接插件及线缆
M12 接插件及电缆
7/8”接插件及电缆
总线接插件及线缆
阀插头预铸电缆
M8信号接线盒
M12信号接线盒
电源分线盒
线缆
附件
布线管理
通讯面板接口
KBL 可开式穿线板
KBL 刷式穿线板
KBL-QVT穿线板
KDL 可开式穿线板
KDP 直插式穿线板(方型)
KDP 直插式穿线板(圆型)
KPL 剥层式穿线板
KML 剥层式穿线板
SF 高防护穿线板
重载连接器
工业LED照明
电缆管理系统
案例中心
汽车行业解决方案
锂电池制造自动化解决方案
面向3C行业的解决方案
助力食品生产工艺的提升
物流行业解决方案
推动机床制造业智能化
太阳能光伏解决方案
移动作业设备行业解决方案
海事船舶行业解决方案
服务支持
合作伙伴
成为x+合作伙伴
合作伙伴资质查询
下载支持
产品目录
设置软件
相关证书
产品服务
技术支持
选型软件
在线视频
产品视频
使用讲解
问答解答
IO-Link知识
IO-Link主站
IO-Link从站
IO-Link模拟量
IO-Link阀岛适配器
FIS M系列:RFID系统
多协议网络模块
EtherCAT网络模块
PROFINET网络模块
PROFIBUS-DP网络模块
Modbus-RTU网络模块
CC-Link网络模块
FCC系列:刀片式模块
FAS-MS系列:非网管交换机
FV系列:阀岛
新闻中心
企业新闻
产品资讯
关于我们
关于FAS
人才招聘
社会招聘
校园招聘
联系方式
三通连接器
首页
>
产品系列
>
连接技术
>
M12 接插件及电缆
>
三通连接器
<
>
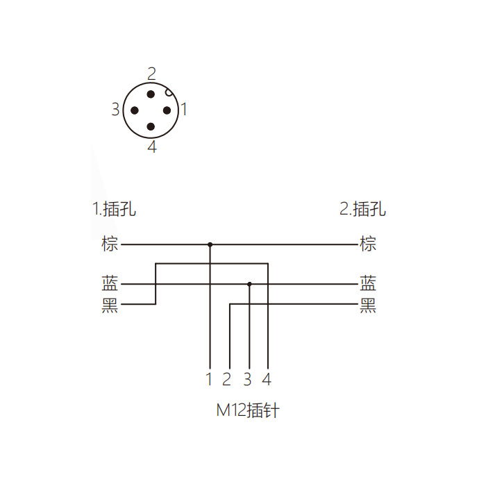
M12 4Pin 公头转2个自由端、Y插头、预铸防焊渣PUR柔性电缆、黄色护套、64TY01-XXX
订货代码: 64TY01-XXX
规格型号: FCC M414-0000-0000-Y22-PW2434-XXX
备注:xxx=电缆长度,订货时可根据需要定制,线缆长度以0.5m递增,例:005=0.5m,010=1m,015=1.5m
参数表
收藏
询盘
相关配件
M12 4Pin公头 转 2xM8 4Pin母头、Y型预铸P
M12 4Pin、公头直型 转 两个自由端、食品级、直插式连
M12 4Pin公头转2个自由端、Y插头、预铸防焊渣PUR柔
M12 4Pin 公头转2个自由端、Y插头、预铸防焊渣PUR
M12 4Pin公头 转 2x自由端、Y型预铸PVC非柔性电
M12 4Pin 公头 转 2x自由端、Y型预铸PUR拖链电
M12 8Pin母头 转 M12 4Pin母头 D-code
M12 8Pin母头 转 M12 5Pin公头+M12 5P
功能参数
资源下载
相关视频
类型
M12直型公头
转两个自由端
、
4 Pin
、
A-coded
最大供电电压 AC U
B
250 V
最大供电电压 DC U
B
250 V
额定电流
2A
电缆
浇铸
导线数量×导线截面积
3×0.34 mm²
电缆 颜色
/
材质
黄色
/
PUR 柔性电缆
防护等级符合 IEC 60529
IP 67
环境温度 Ta
-25...+105°C
ROHS证书
连接器2025-09-16 -ROHS检测报告
2025-10-27
7.92MB
CE证书
连接器&分配器2024-09-04 -CE证书
2025-04-25
387.84KB
3D数模
64TY01-XXX (FCC M414-0000-0000-Y22-PW2434-XXX) -3D (STEP文件)
2025-07-29
1.35MB
2D数模
64TY01-XXX (FCC M414-0000-0000-Y22-PW2434-XXX) -2D (DWG文件)
2025-07-29
345.03KB
防焊渣系列-视频...
请选择区域或语言
简体中文
繁體中文
English
Nederlands
Français
Русский язык
Polski
日本語
ภาษาไทย
Deutsch
Português
español
Italiano
한어
Suomalainen
Gaeilge
dansk
Pilipino
Ελληνικά
Slovenská
Magyar
Azərbaycan
IndonesiaName
Lietuva
Svenska
Türkçe